ГЛАВА 4 ФИНАНСОВЫЙ КАПИТАЛ НА ИНФОРМАЦИОННОМ РЫНКЕ РОССИИ

ЦЕЛИ. Ознакомившись с материалами этой главы, вы сможете понять:

Ø чем объясняется процесс концентрации СМИ в России и каковы его цели;

Ø в каких формах проходит процесс концентрации СМИ и чем они различаются;

Ø как российский финансовый капитал выходит на информационный рынок;

Ø каковы формы и методы проникновения иностранного капитала на российский информационный рынок.

ПРОЦЕСС КОНЦЕНТРАЦИИ СРЕДСТВ МАССОВОЙ ИНФОРМАЦИИ

Конкуренция на информационном рынке приобретает все более острые формы и неизбежно приводит к концентрации средств массовой информации. В России идет тот же процесс, который пережила пресса в странах развитого Запада. Количество независимых периодических изданий непрерывно уменьшается. Самые крупные и сильные поглощают небольших и слабых: присоединяют, ликвидируют, разоряют, очищают для себя рыночное пространство. У этого процесса несколько стадий, различающихся по масштабности, интенсивности и скорости, количеству участников — от нескольких до многих.

Концентрация СМИ в России началась в 90-х годах с появлением первых издательско-производственных объединений (ИПО).

Такое объединение обычно возникало там, где редакция имела свое издательство с типографией. Так было создано, например, ИПО «Литературная газета». Вначале редакционное издательство, ведавшее типографией, основанной на средства, заработанные газетой, отделилось от редакции. Они образовали ИПО, подразделения которого вступили в договорные отношения: редакция отвечала за подготовку номеров, издательство обеспечивало их выпуск в типографии. Обе стороны получали свою часть прибыли, обусловленную договором между ними. В дальнейшем издательско-производственный комплекс полностью отделился от редакции, утвердил свою экономическую и правовую независимость, стал называться ИПО писателей, установив контакты с одним из творческих союзов российских писателей. После этого выпуск «Литературной газеты» стал для ИПО лишь одним из заказов, которые он выполнял для многих периодических изданий.

Издательско-производственное объединение — лишь начальная форма установления тесных экономических связей между несколькими структурами: газетной редакцией, издательством, типографией. Следующая стадия процесса концентрации СМИ связана с появлением издательских домов.

Издательский дом, издательская или информационно-издательская компания — объединение нескольких редакций, выпускающих печатные периодические издания. Иногда в него входят книжная редакция и структуры, производящие разнообразную печатную продукцию — плакаты, буклеты, открытки и др. Им руководит его учредитель, владелец, которому подчиняются все его подразделения. Структура издательского дома нередко представляет собой холдинг (от англ, holding—владение). В этом случае вокруг главной — «материнской» компании или редакции создаются финансово зависимые от нее компании или редакции периодических изданий. Такую холдинговую систему представляет собой, например, столичный издательский дом «Коммерсантъ». Вокруг редакции ежедневной газеты «Коммерсанть-daily» здесь группируются редакции ряда журналов-ежемесячников: «Власть», «Деньги», «Домовой», «Автопилот» и др.

Со временем структура издательского дома может усложниться, в ней возникают и подразделения, занимающиеся коммерческой деятельностью. Так, в информационно-издательскую компанию «Московские новости» входили одноименная еженедельная газета, ежедневная газета «Время МН», еженедельник «Москоу ньюс», выпускавшийся на английском языке, журналы «Спортклуб» и «Мода», русско-американская радиостанция «Радио-Максимум», несколько небольших компаний — по распространению печатных изданий, по эксплуатации недвижимости, «МН-Клуб» и др. Это уже переходная форма к образованию издательского концерна.

В странах с развитой рыночной экономикой концерн — это сложная форма объединения банков, промышленных предприятий, торговых, коммерческих фирм, печатных и аудиовизуальных периодических изданий, производств, обеспечивающих их бумагой и другими материалами, научно-исследовательских организаций и других структур. Газета или журнал, телерадиокомпания является лишь одним из элементов такого концерна, их существование обеспечивается за счет общей прибыли, получаемой его владельцами.

Прообраз первых отечественных издательских концернов появился в России в те же 90-е годы, когда редакции крупнейших газет столкнулись с трудностями, связанными с образованием информационного рынка. Некоторые из них акционировались, создав ОАО или ЗАО. В основанное таким образом ОАО «Концерн “Известия”» вошли редакция газеты «Известия», издательство с типографией и ряд приложений — журнал «Закон», газетные издания «Финансовые известия», «Неделя», «Известия-ТВ», «Известия-Экспертиза» и др. Структурообразующую роль при этом играла сама редакция главной газеты, которая и получала основную часть прибылей концерна. Это привело к борьбе между акционерами, которая закончилась выходом издательства «Известий» с типографией из концерна. Оно было преобразовано в ОАО «Редакция газеты “Известия”», куда входят ежедневное издание и его приложения.

Акционирование редакций периодических изданий активизировало конкуренцию на информационном рынке и убыстрило процесс концентрации СМИ в России. Крупнейшие финансовые компании и банки не замедлили воспользоваться бедственным положением многих газет и журналов и, скупая их акции, превращали в свою собственность. Подобный процесс начался также на телевизионном и радиорынке.

РОССИЙСКИЙ КАПИТАЛ НА ИНФОРМАЦИОННОМ РЫНКЕ

Убедившись, что издательская деятельность в России открывает возможность получения значительных прибылей, на информационный рынок устремился отечественный капитал. Об этом свидетельствовало не только учреждение ряда банковских газет и журналов, обслуживавших сотрудников банков и их клиентов, но и, прежде всего стремление крупнейших российских финансовых компаний подчинить себе самые влиятельные периодические издания, а если это оказывалось невозможным, создать свои, полностью зависимые СМИ — газеты и журналы, телекомпании и радиостанции. Первоначально они стремились при этом к получению дополнительного источника прибыли. Однако по мере того, как финансовые компании начинали оказывать все более сильное воздействие на политическую ситуацию в стране, они поставили перед собой вторую цель — превратить СМИ, которыми они распоряжались, в инструмент организации общественного мнения и влияния на политические, государственные структуры. Достигнуть этой цели они могли, лишь создавая мощные информационные системы и тем самым ускоряя процесс концентрации российских СМИ.

В результате почти все крупнейшие общенациональные печатные издания, большинство которых выходили в столице, перешли в подчинение к финансовым магнатам. Покупка в 1997 г. ОНЭКСИМбанком и нефтяной компанией «Лукойл» контрольного пакета акций ОАО «Редакция газеты “Известия”» привела к расколу редакционного коллектива и уходу части сотрудников газеты. Это показало уязвимость открытого акционерного общества, не способного противостоять попыткам его подчинения более мощному конкуренту.

Не удовлетворяясь захватом печатных периодических изданий, финансовые компании одновременно устремились на рынки аудиовизуальных СМИ. Их внимание привлекало прежде всего телевидение — как самое действенное средство влияния на массовую аудиторию и манипулирования общественным мнением. Вскоре в их руки перешли большие пакеты акций ОРТ, ТВ-6 и других крупнейших телерадиокомпаний, а через короткое время они основали новые, коммерческие, полностью принадлежащие им телекомпании — НТВ, REN TV и др.

Рынок периодических изданий в Москве оказался поделенным между несколькими мощными информационно-издательскими концернами. Каждый из них представляет собой холдинг, т. е. объединение нескольких СМИ вокруг центра — компании, созданной Для управления возникшим таким образом конгломератом. Эти холдинги различаются лишь своим составом и типом включенных в них СМИ. Так, холдинг «Проф-Медиа», созданный ОНЭКСИМ-Банком, охватывал печатные периодические издания: общественно-политические газеты «Известия», «Комсомольская правда», газету «Антенна», журнал «Эксперт», радиостанцию «Европа+», информационное агентство «Прайм», ряд рекламных изданий. Вслед за банками и финансовыми компаниями на информационный рынок двинулись и крупнейшие российские промышленные группы. РАО «Газпром» создал свой информационный холдинг «Газпром-Медиа». В сферу его влияния вошел ряд СМИ, пакетами акций которых он владеет. Среди них не только печатные издания — газеты «Труд», «Трибуна», журналы «Профиль», «Газовая индустрия», «Фактор», ряд региональных изданий, но и телекомпании НТВ и ОРТ, радиостанция «Открытое радио», региональная спутниковая сеть ACT, региональная телерадиокомпания «Прометей» и др.

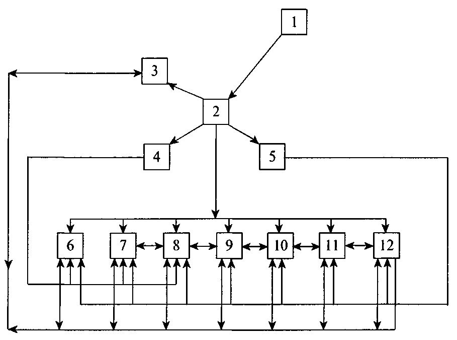
Холдинг предоставляет ряд преимуществ его основателю и владельцу. Он упрощает управление входящими в него СМИ и другими организациями. Обычно его владелец создает управленческий центр, которому подчинены все редакции и компании холдинга. Это позволяет обеспечивать проведение ими единой политики, прежде всего экономической. Управленческий центр контролирует использование финансовых и других ресурсов, которые предоставляет холдингу его владелец. Преимуществом холдинга является возможность экономии немалых средств путем организации единой службы распространения печатных периодических изданий и централизованного снабжения всех редакций оперативной актуальной информацией и рекламой. Кроме того, сами редакции свободно обмениваются информацией и рекламными объявлениями, также получают возможность подготовки совместных тематических и целевых выпусков и передач. Управляющий центр может оптимизировать процесс обеспечения разнотипных редакций новейшими техническими средствами. Но главное — холдинг позволяет проводить эффективную финансовую политику, регулируя финансовые потоки, направляя их, как по сообщающимся сосудам, из одного элемента единой системы в другой элемент, используя прибыль, заработанную одной редакцией, для восполнения убытков другой и добиваясь общего положительного эффекта (см. рисунок 5).

Рис. 5. СТРУКТУРА МЕДИАХОЛДИНГА

1. Учредитель, владелец холдинга (банк и др.)

2. Медиацентр управления холдингом

3. Финансовый центр

4. Центр распространения периодических изданий

5. Рекламный центр

6. Газета

7. Журнал

8. Еженедельник

9. Телекомпания

10. Радиостанция

11. Интернет-СМИ

12. Книжное издательство

Освоив столичный рынок, информационные холдинги вышли в регионы России, подчиняя себе местные газеты и журналы, небольшие региональные телерадиокомпании и основывая новые

СМИ. На этом пути они встречают конкуренцию со стороны местного капитала, который начал создание своих, региональных информационных холдингов. Одним из них в Самаре стал информационный концерн «Федоров», названный по фамилии его владельца, в Краснодаре действует газетно-радио-информационный комплекс «Вольная Кубань». В последний входят одноименная краевая газета и еще восемь газетных изданий, один российский и шесть краевых журналов, краевая радиостанция. Издательский дом «Провинция», которым владеет Б. Гиллер, выпускает 20 еженедельников в городах различных регионов России — от Калининграда до Красноярска и Хабаровска.

Конкуренция на российском рынке становится все более острой, экспансия мощнейших информационных концернов усиливается, возрастают ее масштабы. Все это приводит к возникновению такой ситуации, в которой оказывается возможной монополизация информационного обслуживания общества и государства несколькими мощными информационно-издательскими объединениями. Последние руководствуются при этом не общественными, а своекорыстными интересами финансово-промышленных групп, от которых они зависят. Избежать последствий развития такой ситуации, среди которых — потеря независимости средствами массовой информации и ограничение свободы журналистской деятельности, можно, лишь создав правовую базу для борьбы с монополией на информационном рынке России.

ИНОСТРАННЫЙ КАПИТАЛ НА ИНФОРМАЦИОННОМ РЫНКЕ

Перспектива получения прибылей на информационном рынке России быстро привлекла сюда и иностранный капитал. Однако зарубежные инвесторы, желающие вложить здесь свои средства в информационный бизнес, вынуждены использовать для этого особые методы. Это объясняется тем, что Закон РФ о средствах массовой информации лишает лиц, не являющихся гражданами России, лиц без гражданства, не проживающих постоянно в Российской Федерации, прав на учреждение СМИ. Поэтому иностранный капитал ищет обходные пути для проникновения на российский информационный рынок.

Один из этих путей — использование в качестве учредителя подставного лица, имеющего российское гражданство. Другой путь — основание совместного периодического издания. Нередко такое издание является приложением к российской газете или другому СМИ. Так было основано, например, русскоязычное приложение к еженедельнику «Московские новости» — дайджест «Нью-Йорк Таймc», публиковавший важнейшие материалы известной американской ежедневной газеты. Американские партнеры в течение долгого времени поддерживали это издание своей рекламой. Не получив, очевидно, от реализации этого проекта тех дивидендов, на которые они рассчитывали, американцы прекратили поставлять рекламу, и выпуск приложения, ставшего популярным у москвичей, прекратился.

Более удачным оказался опыт совместного издания газеты «Финансовые известия» редакциями столичных «Известий» и лондонской экономической газеты «Файнэншл таймс». «Финансовые известия», выходившие как приложение к «Известиям», сумели за несколько лет стать одним из лучших деловых изданий в России и укрепить свою экономическую базу. Английские партнеры поддерживали их выпуск предоставлением московской редакции рекламы и своей фирменной розовой бумаги, на которой печатали приложение.

Иной метод проникновения на российский рынок — выпуск русскоязычного варианта зарубежного издания. Им пользуются крупнейшие иностранные издательские компании, договариваясь с российскими бизнесменами, выступающими в роли учредителей. Так на рынке появились популярные «глянцевые» журналы для женщин «Бурда» и «Лиза», выходящие при поддержке немецкой издательской компании Бурда, журнал «Эль» — аналог французского женского журнала и др.

Иной вариант выбирают основатели периодических изданий на английском и других иностранных языках. Они рассчитывают на читателей-иностранцев, находящихся на территории России и других государств СНГ, а также на россиян, изучающих иностранные языки или контактирующих с зарубежными бизнесменами. Так была основана англоязычная газета «Москоу таймс». Ее читают не только дипломатические работники и иностранные бизнесмены, но и туристы, приезжающие в Москву из Западной Европы и Америки. Аудитория газеты выросла после выпуска ее делового приложения «Капитал» на русском языке.

Один из каналов проникновения иностранного капитала на российский рынок — деятельность крупнейших зарубежных информационных агентств. Некоторые из них, например английское агентство Рейтер, успешно конкурируют с нашими отечественными информационными агентствами. Представительство Рейтер в России использует новейшие информационные технологии и продает свою продукцию редакциям общенациональных и региональных газет, телерадиокомпаниям и другим СМИ.

Роль иностранного капитала в российском информационном бизнесе постепенно возрастает. Он проникает в разные сегменты информационного рынка, конкурируя с отечественными информационными компаниями.

Резюме

Конкуренция на информационном рынке России приводит к началу концентрации средств массовой информации. Она начинается с появления в 90-х годах издательско-производственных объединений, продолжается созданием издательских домов, информационно-издательских компаний, основанием издательских концернов.

Российский капитал устремился на информационный рынок. Финансовые компании, банки создают информационно-издательские холдинговые структуры. Такой холдинг включает печатные издания, телекомпании и радиостанции, управляемые из единого центра. Рынок периодических изданий в Москве оказался поделенным между несколькими информационными холдингами, каждым из которых владеет финансовая компания или промышленная группа. Из столицы информационные компании вышли в провинцию, подчиняя себе местные региональные СМИ. На информационном рынке России возникла угроза монополии. Бороться с ней можно, лишь создавая соответствующую правовую базу.

Вслед за отечественным капиталом на российский информационный рынок приходит иностранный капитал. Он использует специфические методы проникновения на рынок — основание совместных изданий, выпуск русскоязычных вариантов зарубежных журналов и др.

Вопросы для самопроверки

1. Чем объясняется концентрация средств массовой информации в России?

2. Какие формы концентрации СМИ вы знаете?

3. Что такое издательско-производственное объединение?

4. Чем издательский дом отличается от ИПО?

5. Что такое информационно-издательский холдинг? Кто руководит холдингом?

6. Каковы особенности информационно-издательского концерна?

7. Назовите причины и цели прихода российского капитала на информационный рынок.

8. К чему привел процесс концентрации российских средств массовой информации?

9. Какие типы информационных холдингов вы знаете?

10. Каковы формы и методы проникновения иностранного капитала на российский информационный рынок?

Более 800 000 книг и аудиокниг! 📚

Получи 2 месяца Литрес Подписки в подарок и наслаждайся неограниченным чтением

ПОЛУЧИТЬ ПОДАРОК